Gewindesicherung und Sonderausführungen auf Anfrage!
Ausführungen
Form BM
Standard-Federkraft (M4 – M24)
Form BSM
verstärkte Federkraft (M6 – M24)
Max. Einsatztemperatur
150°
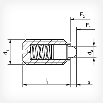
| Artikel-Nr. | d1 | d2 | l1 | s | Federkraft | Artikel-Nr. | Federkraft | ||
| Form BM | F1 (N) | F2 (N) | Form BSM | F1 (N) | F2 (N) | ||||
| 02-030 BM04 | M4 | 1,8 | 9 | 1,5 | 6 | 16 | – | – | – |
| 02-030 BM05 | M5 | 2,4 | 12 | 2,0 | 6 | 17 | – | – | – |
| 02-030 BM06 | M6 | 2,7 | 14 | 2,0 | 7 | 18 | 02-050 BSM06 | 10 | 35 |
| 02-030 BM08 | M8 | 4,0 | 16 | 2,0 | 20 | 35 | 02-050 BSM08 | 40 | 70 |
| 02-030 BM10 | M10 | 4,5 | 19 | 2,5 | 20 | 45 | 02-050 BSM10 | 40 | 80 |
| 02-030 BM12 | M12 | 6,0 | 22 | 3,5 | 25 | 60 | 02-050 BSM12 | 60 | 115 |
| 02-030 BM16 | M16 | 8,5 | 24 | 4,5 | 50 | 95 | 02-050 BSM16 | 60 | 150 |
| 02-030 BM20 | M20 | 10,0 | 30 | 6,5 | 80 | 140 | 02-050 BSM20 | 100 | 200 |
| 02-030 BM24 | M24 | 13,0 | 34 | 8,0 | 80 | 160 | 02-050 BSM24 | 110 | 230 |


